Capacitors and Dielectrics MCQ Questions & Answers in Electrostatics and Magnetism | Physics
Learn Capacitors and Dielectrics MCQ questions & answers in Electrostatics and Magnetism are available for students perparing for IIT-JEE, NEET, Engineering and Medical Enternace exam.
11.
The energy required to charge a parallel plate condenser of plate separation $$d$$ and plate area of cross-section $$A$$ such that the uniform electric field between the plates $$E,$$ is
A
$$\frac{1}{2}\frac{{{\varepsilon _0}{E^2}}}{{Ad}}$$
B
$$\frac{{{\varepsilon _0}{E^2}}}{{Ad}}$$
C
$${\varepsilon _0}{E^2}Ad$$
D
$$\frac{1}{2}\frac{{{\varepsilon _0}{E^2}}}{{Ad}}$$
Answer :
$${\varepsilon _0}{E^2}Ad$$
Energy of charged capacitor $$ = \frac{1}{2}C{V^2}$$
Energy given by cell $$ = C{V^2} = \frac{{A{\varepsilon _0}}}{d} \times {\left( {Ed} \right)^2}$$
As, $$V = Ed = A{\varepsilon _0}{E^2}d$$
12.
When air in a capacitor is replaced by a medium of dielectric constant $$K,$$ the capacity
A
decreases $$K$$ times
B
increases $$K$$ times
C
increases $${K^2}$$ times
D
remains constant
Answer :
increases $$K$$ times
$${C_{{\text{medium}}}} = K \times {C_{{\text{air}}}}$$
13.
A parallel plate capacitor of area $$A,$$ plate separation $$d$$ and capacitance $$C$$ is filled with three different dielectric materials having dielectric constants $${k_1},{k_2}$$ and $${k_3}$$ as shown. If a single dielectric material is to be used to have the same capacitance $$C$$ in this capacitor, then its dielectric constant $$k$$ is given by
A
$$\frac{1}{K} = \frac{1}{{{K_1}}} + \frac{1}{{{K_2}}} + \frac{1}{{2{K_3}}}$$
B
$$\frac{1}{K} = \frac{1}{{{K_1} + {K_2}}} + \frac{1}{{2{K_3}}}$$
C
$$K = \frac{{{K_1}{K_2}}}{{{K_1} + {K_2}}} + 2{K_3}$$
Let $${C_1} =$$ Capacity of capacitor with $${K_1}$$
$${C_2} =$$ Capacity of capacitor with $${K_2}$$
$${C_3} =$$ Capacity of capacitor with $${K_3}$$
$$\eqalign{
& \therefore {C_1} = {K_1}\left( {\frac{A}{2}} \right)\frac{{{\varepsilon _0} \times 2}}{d} = \frac{{A{\varepsilon _0}{K_1}}}{d} \cr
& \therefore {C_2} = {K_2}\left( {\frac{A}{2}} \right)\frac{{{\varepsilon _0} \times 2}}{d} = \frac{{A{\varepsilon _0}{K_2}}}{d} \cr
& \therefore {C_3} = {K_3}\left( A \right)\frac{{{\varepsilon _0} \times 2}}{d} = \frac{{2A{\varepsilon _0}{K_3}}}{d} \cr} $$
$${C_1}$$ and $${C_2}$$ are in parallel
$$\therefore {C_{eq}} = \frac{{A{\varepsilon _0}}}{d}\left( {{K_1} + {K_2}} \right)$$
$${C_{eq}}$$ and $${C_3}$$ are in series
$$\therefore \quad \frac{1}{C} = \frac{d}{{A{\varepsilon _0}\left( {{K_1} + {K_2}} \right)}} + \frac{d}{{2A{\varepsilon _0}{K_3}}}$$
But $$C = \frac{{KA{\varepsilon _0}}}{d}$$ for single equivalent capacitor
$$\eqalign{
& \therefore \frac{d}{{KA{\varepsilon _0}}} = \frac{d}{{A{\varepsilon _0}\left( {{K_1} + {K_2}} \right)}} + \frac{d}{{2A{\varepsilon _0}{K_3}}} \cr
& {\text{or}}\,\frac{1}{K} = \frac{1}{{{K_1} + {K_2}}} + \frac{1}{{2{K_3}}} \cr} $$
14.
A parallel plate air capacitor has capacity $$C,$$ distance of separation between plates is $$d$$ and potential difference $$V$$ is applied between the plates. Force of attraction between the plates of the parallel plate air capacitor is
A
$$\frac{{{C^2}{V^2}}}{{2d}}$$
B
$$\frac{{C{V^2}}}{{2d}}$$
C
$$\frac{{C{V^2}}}{d}$$
D
$$\frac{{{C^2}{V^2}}}{{2{d^2}}}$$
Answer :
$$\frac{{C{V^2}}}{{2d}}$$
Force between plates of parallel capacitor,
$$F = qE = q\left[ {\frac{\sigma }{{2{\varepsilon _0}}}} \right]$$
$$\because $$ Surface charge density $$\sigma = \frac{q}{A}$$
$$\therefore F = q\left[ {\frac{q}{{2A{\varepsilon _0}}}} \right] \Rightarrow F = \frac{{{q^2}}}{{2A{\varepsilon _0}}}$$
So, net charge across a capacitor, $$q = CV$$
$$F = \frac{{{C^2}{V^2}}}{{2A{\varepsilon _0}}}\,\,\,\,\,\left[ {C = \frac{{A{\varepsilon _0}}}{d}} \right]$$
$$ \Rightarrow F = \frac{{\left( {\frac{{A{\varepsilon _0}}}{d}} \right) \times C{V^2}}}{{2A{\varepsilon _0}}} = \frac{{C{V^2}}}{{2d}}$$
15.
The effective capacitance of combination of equal capacitors between points $$A$$ and $$B$$ shown in figure is
A
$$C$$
B
$$2\,C$$
C
$$3\,C$$
D
$$\frac{C}{2}$$
Answer :
$$2\,C$$
The figure shows two independent balanced wheatstone Brides connected in parallel each having a capacitance $$C.$$ So, $${C_{{\text{net}}}} = {C_{AB}} = 2\,C.$$
16.
For the circuit shown in Figure, which of the following statements is true?
A
With $${S_1}$$ closed $${V_1} = 15\,V,{V_2} = 20\,V$$
B
With $${S_3}$$ closed $${V_1} = {V_2} = 25\,V$$
C
With $${S_1}$$ and $${S_2}$$ closed, $${V_1} = {V_2} = 0$$
D
With $${S_1}$$ and $${S_3}$$ closed, $${V_1} = 30\,V,{V_2} = 20\,V$$
Answer :
With $${S_1}$$ and $${S_3}$$ closed, $${V_1} = 30\,V,{V_2} = 20\,V$$
With the closing of switch $${S_3}$$ and $${S_1}$$ the negative charge on $${C_2}$$ will attract the positive charge on $${C_2}$$ thereby maintaining the negative charge on $${C_1}.$$ The negative charge on $${C_1}$$ will attract the positive charge on $${C_1}.$$ No transfer of charge will take place. Therefore p.d across $${C_1}$$ and $${C_2}$$ will be $$30 V$$ and $$20 V.$$
17.
A capacitor of capacity $${C_1}$$ is charged upto potential $$V$$ volt and then connected in parallel to an uncharged capacitor of capacity $${C_2}.$$ The final potential difference across each capacitor will be
A
$$\frac{{{C_2}V}}{{{C_1} + {C_2}}}$$
B
$$\frac{{{C_1}V}}{{{C_1} + {C_2}}}$$
C
$$\left( {1 + \frac{{{C_2}}}{{{C_1}}}} \right)V$$
D
$$\left( {1 - \frac{{{C_2}}}{{{C_1}}}} \right)V$$
Answer :
$$\frac{{{C_1}V}}{{{C_1} + {C_2}}}$$
The common potential difference across two capacitors connected in parallel.
$${V_{{\text{eq}}}} = \frac{{{C_1}{V_1} + {C_2}{V_2}}}{{{C_1} + {C_2}}}$$
Here, potential of charged capacitor
$${V_1} = V,$$
potential of uncharged capacitor $${V_2} = 0$$
$$\therefore {V_{{\text{eq}}}} = \frac{{{C_1}V}}{{{C_1} + {C_2}}}$$
18.
A parallel plate capacitor is made of two square plates of
side $$'a',$$ separated by a distance $$d\left( {d < < a} \right).$$ The lower triangular portion is filled with a dielectric of dielectric constant $$K,$$ as shown in the figure. Capacitance of this capacitor is:
A
$$\frac{{K{ \in _0}{a^2}}}{{2d\left( {K + 1} \right)}}$$
B
$$\frac{{K{ \in _0}{a^2}}}{{d\left( {K - 1} \right)}}\ell n\,K$$
19.
A parallel plate air capacitor has a capacitance of $$100\,\mu F.$$ The plates are at a distance $$d$$ apart. If a slab of thickness $$t\left( {t < d} \right)$$ and dielectric constant $$5$$ is introduced between the parallel plates, then the capacitance will be
A
$$50\,\mu F$$
B
$$100\,\mu F$$
C
$$200\,\mu F$$
D
$$500\,\mu F$$
Answer :
$$200\,\mu F$$
Capacitance will increase but not $$5$$ times (because dielectric is not filled completely).
Hence, new capacitance may be $$200\,\mu F.$$
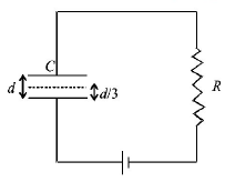
20.
A parallel plate capacitor $$C$$ with plates of unit area and separation $$d$$ is filled with a liquid of dielectric constant $$K = 2.$$ The level of liquid is $$\frac{d}{3}$$ initially. Suppose the liquid level decreases at a constant speed $$v,$$ the time constant as a function of time $$t$$ is-