Electric Current MCQ Questions & Answers in Electrostatics and Magnetism | Physics
Learn Electric Current MCQ questions & answers in Electrostatics and Magnetism are available for students perparing for IIT-JEE, NEET, Engineering and Medical Enternace exam.
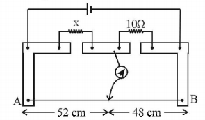
151.
A meter bridge is set up as shown, to determine an unknown
resistance $$'X'$$ using a standard $$10\,ohm$$ resistor. The galvanometer shows null point when tapping-key is at $$52\,cm$$ mark. The end-corrections are $$1\,cm$$ and $$2\,cm$$ respectively for the ends $$A$$ and $$B.$$ The determined value of $$'X'$$ is
152.
In the circuit shown, the cells $$A$$ and $$B$$ have negligible resistances. For $${V_A} = 12\,V,{R_1} = 500\,\Omega $$ and $$R = 100\,\Omega $$ the galvanometer $$\left( G \right)$$ shows no deflection. The value of $${V_B}$$ is
A
$$4\,V$$
B
$$2\,V$$
C
$$12\,V$$
D
$$6\,V$$
Answer :
$$2\,V$$
If potential difference across $$R\,\Omega $$ resistor is equal to potential difference of cell $$B,$$ galvanometer shows no deflection.
Applying Kirchhoff's law, $$500I + 100I = 12$$
So, $$I = \frac{{12 \times {{10}^{ - 2}}}}{6} = 2 \times {10^{ - 2}}A$$
Hence, $${V_B} = 100\left( {2 \times {{10}^{ - 2}}} \right) = 2\,V$$
153.
At room temperature, copper has free electron density of $$8.4 \times {10^{28}}$$ per $${m^3}.$$ The copper conductor has a cross-section of $${10^{ - 6}}{m^2}$$ and carries a current of $$5.4\,A.$$ The electron drift velocity in copper is
154.
Three resistances each of $$4\,\Omega $$ are connected to form a triangle. The resistance between any two terminals is
A
$$12\,\Omega $$
B
$$2\,\Omega $$
C
$$6\,\Omega $$
D
$$\frac{8}{3}\,\Omega $$
Answer :
$$\frac{8}{3}\,\Omega $$
Between any two terminals, two resistors of two arms are in series i.e. between $$B$$ and $$C,$$ equivalent resistance is
$$\eqalign{
& \frac{1}{{{R_{BC}}}} = \frac{1}{4} + \frac{1}{8} \cr
& \frac{1}{{{R_{BC}}}} = \frac{{2 + 1}}{8} \cr
& \therefore {R_{BC}} = \frac{8}{3}\Omega \cr} $$
155.
Forty electric bulbs are connected in series across a $$220\,V$$ supply. After one bulb is fused the remaining $$39$$ are connected again in series across the same supply. The illumination will be
A
more with $$40$$ bulbs than with $$39$$
B
more with $$39$$ bulbs than with $$40$$
C
equal in both the cases
D
in the ratio $${40^2}:{39^2}$$
Answer :
more with $$39$$ bulbs than with $$40$$
Since, the voltage is same for the two combinations, therefore $$H \propto \frac{1}{R}.$$ Hence, the combination of $$39$$ bulbs will glow more.
156.
In the circuit $$P \ne R$$ the reading of the galvanometer is same with switch $$S$$ open or closed. Then
A
$${I_R} = {I_G}$$
B
$${I_P} = {I_G}$$
C
$${I_Q} = {I_G}$$
D
$${I_Q} = {I_R}$$
Answer :
$${I_R} = {I_G}$$
Since the opening or closing the switch does not affect the current through $$G,$$ it means that in both the cases there is no current passing through $$S.$$ Thus potential at $$A$$ is equal to potential at $$B$$ and it is the case of balanced wheatstone bridge..
$${I_P} = {I_Q}$$ and $${I_R} = {I_G}$$
157.
A $$12\,cm$$ wire is given a shape of a right angled triangle $$ABC$$ having sides $$3\,cm,4\,cm$$ and $$5\,cm$$ as shown in the figure. The resistance between two ends $$\left( {AB,BC,CA} \right)$$ of the respective sides are measured one by one by a multi-meter. The
resistances will be in the ratio of
158.
In the given mesh, each resistor has resistance $$R.$$ The effective resistance between the terminals $$A$$ and $$B$$ is
A
$$\frac{{3R}}{8}$$
B
$$\frac{{R}}{2}$$
C
$$R$$
D
$$2\,R$$
Answer :
$$\frac{{3R}}{8}$$
The effective circuit is shown in figure.
$${R_{AB}} = \frac{{3R}}{8}$$
159.
Drift velocity of electrons is due to
A
motion of conduction electrons due to random collisions.
B
motion of conduction electrons due to electric field $$\vec E.$$
C
repulsion to the conduction electrons due to inner electrons of ions.
D
collision of conduction electrons with each other.
Answer :
motion of conduction electrons due to electric field $$\vec E.$$
Motion of conduction electrons due to random collisions has no preferred direction and average to zero. Drift velocity is caused due to motion of conduction electrons due to applied electric field $$\vec E.$$
160.
Consider a thin square sheet of side $$L$$ and thickness $$t,$$ made of a material of resistivity $$\rho .$$ The resistance between two opposite faces, shown by the shaded areas in the figure is
A
directly proportional to $$L$$
B
directly proportional to $$t$$
C
independent of $$L$$
D
independent of $$t$$
Answer :
independent of $$L$$
We know that $$R = \rho \frac{l}{a}$$
Where $$l$$ is the length of the conductor through which the current flows and a is the area of cross section.
$$\eqalign{
& {\text{Here}}\,l = L\,{\text{and}}\,a = L \times t \cr
& \therefore R = \frac{{\rho L}}{{L \times t}} = \frac{\rho }{t} \cr} $$
$$\therefore $$ $$R$$ is independent of $$L$$