Electric Current MCQ Questions & Answers in Electrostatics and Magnetism | Physics
Learn Electric Current MCQ questions & answers in Electrostatics and Magnetism are available for students perparing for IIT-JEE, NEET, Engineering and Medical Enternace exam.
11.
The potential difference $$\left( {{V_A} - {V_B}} \right)$$ between the points $$A$$ and $$B$$ in the given figure is
12.
A heating coil is labelled $$100\,W,220\,V.$$ The coil is cut in two equal halves and the two pieces are joined in parallel to the same source. The energy now liberated per second is
A
$$25\,J$$
B
$$50\,J$$
C
$$200\,J$$
D
$$400\,J$$
Answer :
$$400\,J$$
When heating coil is cut into two equal parts and these parts are joined in parallel, then the resistance of the coil is reduced to $$\frac{1}{4}$$ of the previous value. As $$\left( {H \propto \frac{1}{R}} \right)$$ for constant voltage so, energy liberated per second becomes 4 times, i.e. $$4 \times 100 = 400\,J.$$
13.
A wire has a resistance $$12\,\Omega .$$ It is bent in the form of a circle. The effective resistance between two points on any diameter is
A
$$6\,\Omega $$
B
$$3\,\Omega $$
C
$$12\,\Omega $$
D
$$24\,\Omega $$
Answer :
$$3\,\Omega $$
Resistance of the wire of a semicircle $$ = \frac{{12}}{2} = 6\,\Omega $$
For equivalent resistance between two points on any diameter, $$6\,\Omega $$ and $$6\,\Omega $$ are in parallel.
14.
Two voltameters, one of copper and another of silver, are joined in parallel. When a total charge $$q$$ flows through the voltameters, equal amount of metals are deposited. If the electrochemical equivalents of copper and silver are $${Z_1}$$ and $${Z_2}$$ respectively the charge which flows through the silver voltameter is
15.
In the network shown in figure each resistance is $$1\,\Omega .$$ The effective resistance between $$A$$ and $$B$$ is
A
$$\frac{4}{3}\Omega $$
B
$$\frac{3}{2}\Omega $$
C
$$7\,\Omega $$
D
$$\frac{8}{7}\Omega $$
Answer :
$$\frac{8}{7}\Omega $$
The distribution of currents in the circuit is shown in the Fig. (a). Due to symmetry, current in arm $$AE$$ is equal to current in the arm $$EB.$$ Since, current in the arm $$CE$$ is equal to the current in the arm $$ED,$$ therefore the resistance of network will not change, if the wires $$CED$$ and $$AEB$$ are disconnected at $$E,$$ as shown in Fig. (b).
Now, resistance of path $$AEB = r + r = 2r$$
Resistance of path $$ACDB = r + \frac{{\left( {2r} \right) \times r}}{{\left( {2r} \right) + r}} + r$$
$$ = \frac{{8r}}{3}$$
The paths $$AEB$$ and $$ACDB$$ are in parallel, therefore the effective resistance between $$A$$ and $$B$$ will be
$$\eqalign{
& \frac{1}{R} = \frac{1}{{2r}} + \frac{3}{{8r}} = \frac{{4 + 3}}{{8r}} = \frac{7}{{8r}} \cr
& {\text{or}}\,\,R = \frac{{8r}}{7} \cr
& {\text{But}}\,\,r = 1\,\Omega , \cr
& {\text{Therefore,}}\,\,R = \frac{{8 \times 1}}{7} = \frac{8}{7}\,\Omega \cr} $$
16.
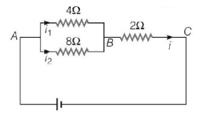
In the circuit of figure, the current in $$4\,\Omega $$ resistance is $$1.2\,A,$$ what is the potential difference between $$B$$ and $$C$$ ?
A
$$3.6\,V$$
B
$$6.3\,V$$
C
$$1.8\,V$$
D
$$2.4\,V$$
Answer :
$$3.6\,V$$
The potential difference across $$4\,\Omega $$ resistance given by Ohm's law
$$\eqalign{
& = 4 \times {i_1} \cr
& = 4 \times 1.2 = 4.8\,V\,\,\left( {{\text{as}}\,{i_1} = 1.2\,A} \right) \cr} $$
As resistances $$4\,\Omega $$ and $$8\,\Omega $$ are in parallel, so potential difference across $$8\,\Omega $$ resistance will also be $$4.8\,V.$$
$$\therefore $$ Current through $$8\,\Omega $$ resistance
$$\eqalign{
& {i_2} = \frac{V}{R} = \frac{{4.8}}{8} = 0.6\,A \cr
& \therefore i = {i_1} + {i_2} = 1.2 + 0.6 = 1.8\,A \cr} $$
$$\therefore $$ Potential difference across $$2\,\Omega $$ resistance
$$\eqalign{
& {V_{BC}} = i \times 2 \cr
& = 1.8 \times 2 = 3.6\,V \cr} $$
17.
Kirchhoff ’s first law of electricity follows
A
only law of conservation of energy
B
only law of conservation of charge
C
law of conservation of both energy and charge
D
sometimes law of conservation of energy and some other times law of conservation of charge
Answer :
only law of conservation of charge
Kirchhoff's first law supports law of conservation of charge. This is because a point in a circuit cannot act as a source or sink of charge.
18.
An electric fan and a heater are marked as $$100\,W, 220\,V$$ and $$1000\,W, 220\,V$$ respectively. The resistance of heater is
A
equal to that of fan
B
lesser than that of fan
C
greater than that of fan
D
zero
Answer :
lesser than that of fan
As $$R \propto \frac{{{V^2}}}{P}$$ or $$R \propto \frac{1}{P},$$ so resistance of heater is less than that of fan.
19.
The resistances of the four arms $$P,Q,R$$ and $$S$$ in a Wheatstone bridge are $$10\,\Omega ,30\,\Omega ,30\,\Omega $$ and $$90\,\Omega ,$$ respectively. The emf and internal resistance of the cell are $$7\,V$$ and $$5\,\Omega $$ respectively. If the galvanometer resistance is $$50\,\Omega ,$$ the current drawn from the cell will be
20.
All wires have same resistance and equivalent resistance between $$A$$ and $$B$$ is $${R_0}.$$ Now keys are closed, then the equivalent resistance will become
A
$$\frac{{7\,{R_0}}}{3}$$
B
$$\frac{{7\,{R_0}}}{9}$$
C
$${7\,{R_0}}$$
D
$$\frac{{{R_0}}}{3}$$
Answer :
$$\frac{{7\,{R_0}}}{9}$$
If each resistor is $$r,$$ then
$${R_0} = 3r\,\,{\text{or}}\,\,r = \frac{{{R_0}}}{3}$$
When keys are closed, then
$${R_{{\text{eq}}}} = 7\frac{r}{3} = \frac{{7\,{R_0}}}{9}$$