Electric Current MCQ Questions & Answers in Electrostatics and Magnetism | Physics
Learn Electric Current MCQ questions & answers in Electrostatics and Magnetism are available for students perparing for IIT-JEE, NEET, Engineering and Medical Enternace exam.
261.
Let $$C$$ be the capacitance of a capacitor discharging through a resistor $$R.$$ Suppose $${t_1}$$ is the time taken for the energy stored in the capacitor to reduce to half its initial value and $${t_2}$$ is the time taken for the charge to reduce to one-fourth its initial value. Then the ratio $$\frac{{{t_1}}}{{{t_2}}}$$ will be
A
1
B
$$\frac{1}{2}$$
C
$$\frac{1}{4}$$
D
2
Answer :
$$\frac{1}{4}$$
Initial energy of capacitor, $${E_1} = \frac{{q_1^2}}{{2C}}$$
Final energy of capacitor, $${E_2} = \frac{1}{2}{E_1} = \frac{{q_1^2}}{{4C}} = {\left( {\frac{{\frac{{{q_1}}}{{\sqrt 2 }}}}{{2C}}} \right)^2}$$
$$\therefore {t_1}$$ = time for the charge to reduce to $$\frac{1}{{\sqrt 2 }}$$ of its initial value and $${t_2}$$ = time for the charge to reduce to $$\frac{1}{4}$$ of its initial value
$$\eqalign{
& {\text{We}}\,{\text{have,}}\,{q_2} = {q_1}{e^{ - \frac{t}{{CR}}}} \cr
& \Rightarrow \ln \left( {\frac{{{q_2}}}{{{q_1}}}} \right) = - \frac{t}{{CR}}\quad \therefore \ln \left( {\frac{1}{{\sqrt 2 }}} \right) = \frac{{ - {t_1}}}{{CR}}\,......\left( 1 \right) \cr
& {\text{and}}\,\ln \left( {\frac{1}{4}} \right) = \frac{{ - {t_2}}}{{CR}}\,......\left( 2 \right) \cr} $$
By (1) and (2),
$$\frac{{{t_1}}}{{{t_2}}} = \frac{{\ln \left( {\frac{1}{{\sqrt 2 }}} \right)}}{{\ln \left( {\frac{1}{4}} \right)}} = \frac{1}{2}\frac{{\ln \left( {\frac{1}{2}} \right)}}{{2\ln \left( {\frac{1}{2}} \right)}} = \frac{1}{4}$$
262.
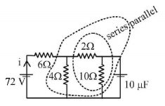
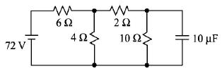
Determine the charge on the capacitor in the following circuit:
A
$$60\mu C$$
B
$$2\mu C$$
C
$$10\mu C$$
D
$$200\mu C$$
Answer :
$$200\mu C$$
At steady state, there is no current in capacitor. $$2\Omega $$ and $$10\Omega $$ are in series. There equivalent resistance is $$12\Omega .$$ This $$12\Omega $$ is in parallel with $$4\Omega $$ and there combined resistance is $$\frac{{12 \times 4}}{{\left( {12 + 4} \right)}}.$$ This resistance is in series with $$6\Omega .$$
Therefore, current drawn from battery
$$i = \frac{V}{R} = \left( {\frac{{72}}{{6 + \frac{{12 \times 4}}{{12 + 4}}}}} \right) = 8A$$
Current in $$10\Omega $$ resistor
$$i' = \left( {\frac{4}{{4 + 12}}} \right)8 = 2A$$
$$Pd$$ across capacitor, $$V = i'R = 2 \times 10 = 20V$$
∴ Charge on the capacitor, $$q = CV$$
$$ = 10 \times 20 = 200\mu C.$$
263.
The three resistance of equal value are arranged in the different combinations shown below. Arrange them in increasing order of power dissipation.
A
$$III < II < IV < I$$
B
$$II < III < IV < I$$
C
$$I < IV < III < II$$
D
$$I < III < II < IV$$
Answer :
$$III < II < IV < I$$
III < II < IV < I.
Power dissipation, $${P_1} = {I^2}\left( {3R} \right) = 3{I^2}R$$
Power dissipation, $${P_2} = {I^2}\left( {\frac{{2R}}{3}} \right) = 0.67{I^2}R$$
Power dissipation, $${P_3} = {I^2}\left( {\frac{R}{3}} \right) = 0.33{I^2}R$$
Power dissipation, $${P_4} = {I^2}\left( {\frac{3}{2}R} \right) = 1.5{I^2}R$$
264.
In the given network of four resistances, the equivalent resistance is:
A
$$20\,\Omega $$
B
$$5.4\,\Omega $$
C
$$12\,\Omega $$
D
$$4.5\,\Omega $$
Answer :
$$4.5\,\Omega $$
The equivalent circuit is shown in figure.
$$R = \frac{{6 \times 4}}{{6 + 4}} + \frac{{7 \times 3}}{{7 + 3}} = 4.5\,\Omega $$
265.
The resistance of a wire is $$R.$$ It is bent at the middle by $${180^ \circ }$$ and both the ends are twisted together to make a shorter wire. The resistance of the new wire is
A
$$2R$$
B
$$\frac{R}{2}$$
C
$$\frac{R}{4}$$
D
$$\frac{R}{8}$$
Answer :
$$\frac{R}{4}$$
Resistance of wire $$\left( R \right) = \rho \frac{l}{A}$$
If wire is bent in the middle then
$$l' = \frac{l}{2},A' = 2A$$
$$\therefore $$ New resistance, $$R' = \rho \frac{{l'}}{{A'}} = \frac{{\rho \frac{l}{A}}}{{2A}}$$
$$ = \frac{{\rho l}}{{4A}} = \frac{R}{4}.$$
266.
The current density varies with radial distance $$r$$ as $$J = a{r^2},$$ in a cylindrical wire of radius $$R.$$ The current passing through the wire between radial distance $$\frac{R}{3}$$ and $$\frac{R}{2}$$ is
267.
$$n$$ equal resistors are first connected in series and then connected in parallel. What is the ratio of the maximum to the minimum resistance?
A
$$n$$
B
$$\frac{1}{{{n^2}}}$$
C
$${{n^2}}$$
D
$$\frac{1}{n}$$
Answer :
$${{n^2}}$$
When resistors are connected in series, then effective resistance of series combination
$$\eqalign{
& {R_S} = R + R + \ldots + n\,{\text{terms}} \cr
& = nR\,.......\left( {\text{i}} \right) \cr} $$
When resistors are connected in parallel, then effective resistance
$$\eqalign{
& \frac{1}{{{R_P}}} = \frac{1}{R} + \frac{1}{R} + \ldots + n\,{\text{terms}} \cr
& {\text{or}}\,\,\frac{1}{{{R_P}}} = \frac{n}{R}\,.......\left( {{\text{ii}}} \right) \cr
& {R_P} = \frac{R}{n} \cr} $$
From Eqs. (i) and (ii), we get
$$\frac{{{R_S}}}{{{R_P}}} = \frac{{{n^2}}}{1}$$
268.
The internal resistance of a $$2.1\,V$$ cell which gives a current of $$0.2\,A$$ through a resistance of $$10\,\Omega $$ is