Electromagnetic Induction MCQ Questions & Answers in Electrostatics and Magnetism | Physics
Learn Electromagnetic Induction MCQ questions & answers in Electrostatics and Magnetism are available for students perparing for IIT-JEE, NEET, Engineering and Medical Enternace exam.
11.
A magnetic field of $$2 \times {10^{ - 2}}T$$ acts at right angles to a coil of area $$100\,c{m^2},$$ with 50 turns. The average emf induced in the coil is $$0.1\,V,$$ when it is removed from the field in $$t$$ second. The value of $$t$$ is
A
$$10\,s$$
B
$$0.1\,s$$
C
$$0.01\,s$$
D
$$1\,s$$
Answer :
$$0.1\,s$$
Emf induced in the coil due to change in magnetic flux
$$e = - \frac{{d\phi }}{{dt}} = - \frac{{\left( {{\phi _2} - {\phi _1}} \right)}}{{dt}}$$
When magnetic field is perpendicular to coil
$${\phi _1} = NBA$$
When coil is removed, $${\phi _2} = 0$$
So, $$e = - \frac{{\left( {0 - NBA} \right)}}{{dt}}\,\,{\text{or}}\,\,dt = \frac{{NBA}}{e}$$
Here, $$N = 50,B = 2 \times {10^{ - 2}}T,A = 100\,c{m^2}$$
$$\eqalign{
& = {10^{ - 2}}{m^2}\,{\text{and}}\,\,e = 0.1\,V \cr
& \therefore dt = \frac{{50 \times 2 \times {{10}^{ - 2}} \times {{10}^{ - 2}}}}{{0.1}} \cr
& = 0.1\,s \cr} $$
12.
A plane loop, shaped as two squares of sides $$a = 1\,m$$ and $$b = 0.4\,m$$ is introduced into a uniform magnetic field $$ \bot $$ to the plane of loop. The magnetic field varies as $$B = {10^{ - 3}}\sin \left( {100t} \right)T.$$ The amplitude of the current induced in the loop if its resistance per unit length is $$r = 5\,m\Omega \,{m^{ - 1}}$$ is
13.
A boat is moving due east in a region where the earth's
magnetic field is $$5.0 \times {10^{ - 5}}N{a^{ - 1}}{m^{ - 1}}$$ due north and horizontal. The boat carries a vertical aerial $$2\,m$$ long. If the speed of the boat is $$1.50\,m{s^{ - 1}},$$ the magnitude of the induced emf in the wire of aerial is:
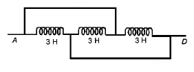
These three inductors are connected in parallel. The equivalent inductance $${L_p}$$ is given by
$$\eqalign{
& \frac{1}{{{L_p}}} = \frac{1}{{{L_1}}} + \frac{1}{{{L_2}}} + \frac{1}{{{L_3}}} = \frac{1}{3} + \frac{1}{3} + \frac{1}{3} = \frac{3}{3} = 1 \cr
& \therefore {L_p} = 1 \cr} $$
15.
A wooden stick of length $$3\ell $$ is rotated about an end with constant angular velocity $$\omega $$ in a uniform magnetic field $$B$$ perpendicular to the plane of motion. If the upper one third of its length is coated with copper, the potential difference across the whole length of the stick is
17.
A conducting circular loop is placed in a uniform magnetic field, $$B = 0.025\,T$$ with its plane perpendicular to the loop. The radius of the loop is made to shrink at a constant rate of $$1\,mm{s^{ - 1}}.$$ The induced emf when the radius is $$2\,cm,$$ is
A
$$2\pi \mu V$$
B
$$\pi \mu V$$
C
$$\frac{\pi }{2}\mu V$$
D
$$2\,\mu V$$
Answer :
$$\pi \mu V$$
Magnetic flux $$\phi $$ linked with magnetic field $$B$$ and area $$A$$ is given by
$$\eqalign{
& \phi = B \cdot A = \left| B \right|\left| A \right|\cos \theta \cr
& {\text{Here,}}\,\,\theta = {0^ \circ } \cr
& {\text{So,}}\,\,\phi = BA = B\pi {r^2} \cr} $$
Now, Induced emf, $$\left| e \right| = \left| {\frac{{ - d\phi }}{{dt}}} \right| = B\pi \left( {2r} \right)\frac{{dr}}{{dt}}$$
$$\eqalign{
& = 0.025 \times \pi \times 2 \times 2 \times {10^{ - 2}} \times 1 \times {10^{ - 3}} \cr
& = \pi \mu V \cr} $$
18.
In an inductor of self-inductance $$L = 2\,mH,$$ current changes with time according to relation $$i = {t^2}{e^{ - t}}.$$ At what time emf is zero?
19.
A rectangular, a square, a circular and an elliptical loop, all in the $$xy$$ -plane, are moving out of a uniform magnetic field with a constant velocity, $$v = v\hat i.$$ The magnetic field is directed along the negative $$z$$-axis direction. The induced emf, during the passage of these loops, out of the field region, will not remain constant for
A
the rectangular, circular and elliptical loops
B
the circular and the elliptical loops
C
only the elliptical loop
D
any of the four loops
Answer :
the circular and the elliptical loops
Area coming out per second from the magnetic field is not constant for elliptical and circular loops, so induced emf, during the passage out of these loops, from the field region will not remain constant.
20.
Two inductances $${L_1}$$ and $${L_2}$$ are placed closer and in parallel. Their combined inductance is
A
$$\frac{{{L_1}{L_2}}}{{{L_1} + {L_2}}}$$
B
$$\left( {{L_1} + {L_2}} \right)$$
C
$$\left( {{L_1} + {L_2}} \right)\frac{{{L_1}}}{{{L_2}}}$$
D
$$\left( {{L_1} + {L_2}} \right)\frac{{{L_2}}}{{{L_1}}}$$