Semiconductors and Electronic Devices MCQ Questions & Answers in Modern Physics | Physics
Learn Semiconductors and Electronic Devices MCQ questions & answers in Modern Physics are available for students perparing for IIT-JEE, NEET, Engineering and Medical Enternace exam.
1.
For amplification by a triode, the signal to be amplified is given to
A
the cathode
B
the grid
C
the glass-envelope
D
the anode
Answer :
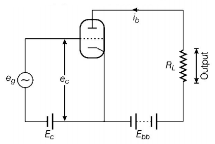
the grid
Figure shows the basic triode amplifier circuit. The weak signal $${e_g}$$ is applied in the grid circuit and useful output is obtained across the load $${R_L}$$ connected in the plate circuit. The bias battery $${E_C}$$ ensures the grid to be always negative w.r.t. cathode.
The weak signal voltage produces a large change in plate current. As the value of $${R_L}$$ is quite high, therefore a large voltage drop occurs across it. Thus, a weak signal applied in the grid circuit appears in the amplified form in the plate circuit.
2.
Diamond is very hard, because
A
it is covalent solid
B
it has large cohesive energy
C
high melting point
D
insoluble in all solvents
Answer :
it has large cohesive energy
The cohesive energy of solids is defined as the energy required for separating the condensed material into isolated free atoms.
The bond between two carbon atoms in diamond has a cohesive energy of $$7.3\,eV$$ with respect to separated neutral atoms. Due to such high cohesive energy diamond is very hard.
3.
A $$2-V$$ battery is connected across the points $$A$$ and $$B$$ as shown in the figure given below. Assuming that the resistance of each diode is zero in forward bias, and infinity in reverse bias, the current supplied by the battery when its positive terminal is connected to $$A,$$ is
A
$$0.2\,A$$
B
$$0.4\,A$$
C
$$0.3\,A$$
D
$$0.1\,A$$
Answer :
$$0.2\,A$$
As one of the diodes (the lower one) will be in reverse bias, no current will pass through it, so the effective resistance of the circuit $$ = 10\,\Omega .$$
4.
A forward biased diode is
A
B
C
D
Answer :
The $$p-n$$ junction diode can be shown as
If $$p$$-side of $$p-n$$ junction diode is given more positive potential or positive terminal of the battery and $$n$$-side is connected to less potential or one terminal of battery, then it is forward biased.
In option (D), $$p$$ -side is at $$0\,V$$ and $$n$$-side at $$-2\,V,$$ so $$p$$ is at higher potential. Hence, it is forward biased. NOTE
$$p-n$$ junction diode is mainly used as a rectifier.
5.
Current gain of a transistor in common base mode is 0.95. Its value in common emitter mode is
6.
The following truth table belongs to which of the following four gates ?
Inputs
Output
A
B
Y
1
1
0
1
0
0
0
1
0
0
0
1
A
NOR
B
XOR
C
NAND
D
OR
Answer :
NOR
The Boolean expression expressed by the truth table may be written as
$$Y = \overline {A + B} $$
This is the expression of NOR gate (OR gate + NOT gate) NOTE
The NOR gate may be shown as below
7.
An oscillator is nothing but an amplifier with
A
positive feedback
B
negative feedback
C
large gain
D
no feedback
Answer :
positive feedback
A transistor amplifier with proper positive feedback can act as an oscillator, i.e. it can generate oscillations without any external signal source. A positive feedback amplifier is one that produces a feedback voltage $$\left( {{V_f}} \right)$$ that is in phase with the original input signal. A phase shift of $${180^ \circ }$$ is produced by the amplifier and a further phase shift of $${180^ \circ }$$ is introduced by feedback network. Consequently, the signal is shifted by $${360^ \circ }$$ and fed to the input, i.e. feedback voltage is in phase with the input signal.
8.
In a common base mode of a transistor, the collector current
is $$5.488\,mA$$ for an emitter current of $$5.60\,mA.$$ The value of the base current amplification factor $$\left( \beta \right)$$ will be
9.
A zener diode of voltage $${V_Z}\left( { = 6V} \right)$$ is used to maintain a constant voltage across a load resistance $${R_L}\left( { = 1000\,\Omega } \right)$$ by using a series resistance $${R_S}\left( { = 100\,\Omega } \right).$$ If the e.m.f. of source is $$E\left( { = 9\,V} \right),$$ what is the power being dissipated in Zener diode ?
A
0.144 watt
B
0.324 watt
C
0.244 watt
D
0.544 watt
Answer :
0.144 watt
$${\text{Here,}}\,\,E = 9\,V;{V_Z} = 6;{R_L} = 1000\,\Omega \,{\text{and}}\,{R_s} = 100\,\Omega $$
Potential drop across series resistor
$$V = E - {V_Z} = 9 - 6 = 3\,V$$
Current through series resistance $${R_S}$$ is
$$I = \frac{V}{R} = \frac{3}{{300}} = 0.03\,A$$
Current through load resistance $${R_L}$$ is
$${I_L} = \frac{{{V_Z}}}{{{R_L}}} = \frac{6}{{1000}} = 0.006\,A$$
Current through Zener diode is
$${I_Z} = I - {I_L} = 0.03 - 0.006 = 0.024\,amp.$$
Power dissipated in Zener diode is
$${P_Z} = {V_Z}{I_Z} = 6 \times 0.024 = 0.144\,Watt$$
10.
Carbon, silicon and germanium have four valence electrons each. At room temperature which one of the following statements is most appropriate ?
A
The number of free electrons for conduction is significant only in $$Si$$ and Ge but small in $$C.$$
B
The number of free conduction electrons is significant in $$C$$ but small in $$Si$$ and $$Ge.$$
C
The number of free conduction electrons is negligibly small in all the three.
D
The number of free electrons for conduction is significant in all the three.
Answer :
The number of free electrons for conduction is significant only in $$Si$$ and Ge but small in $$C.$$
$$Si$$ and $$Ge$$ are semiconductors but $$C$$ is an insulator. Also, the conductivity of $$Si$$ and $$Ge$$ is more than $$C$$ because the valence electrons of $$Si,\,Ge$$ and $$C$$ lie in third, fourth and second orbit respectively.