Simple Harmonic Motion (SHM) MCQ Questions & Answers in Oscillation and Mechanical Waves | Physics
Learn Simple Harmonic Motion (SHM) MCQ questions & answers in Oscillation and Mechanical Waves are available for students perparing for IIT-JEE, NEET, Engineering and Medical Enternace exam.
171.
A particle of mass $$1\,kg$$ is moving in $$S.H.M.$$ with an amplitude 0.02 and a frequency of $$60\,Hz.$$ The maximum force acting on the particle is
Let us consider two springs of spring constants $${{k_1}}$$ and $${{k_2}}$$ joined in series as shown in figure.
Under a force $$F,$$ they will stretch by $${y_1}$$ and $${y_2}.$$
So, $$y = {y_1} + {y_2}$$
$${\text{or}}\,\,\frac{F}{k} = \frac{{{F_1}}}{{{k_1}}} + \frac{{{F_2}}}{{{k_2}}}$$
But as springs are massless, so force on them must be same, i.e. $${F_1} = {F_2} = F.$$
$$\eqalign{
& {\text{So,}}\,\,\frac{1}{k} = \frac{1}{{{k_1}}} + \frac{1}{{{k_2}}} \cr
& {\text{or}}\,\,k = \frac{{{k_1}{k_2}}}{{{k_1} + {k_2}}} \cr} $$
173.
Starting from the origin a body oscillates simple harmonically with a period of $$2s.$$ After what time will its kinetic energy be 75% of the total energy?
A
$$\frac{1}{6}s$$
B
$$\frac{1}{4}s$$
C
$$\frac{1}{3}s$$
D
$$\frac{1}{{12}}s$$
Answer :
$$\frac{1}{6}s$$
$$K.E.$$ of a body undergoing SHM is given by,
$$K.E. = \frac{1}{2}m{a^2}{\omega ^2}{\cos ^2}\omega t,\,T.E. = \frac{1}{2}m{a^2}{\omega ^2}$$
Given $$K.E. = 0.75\,T.E.$$
$$\eqalign{
& \Rightarrow 0.75 = {\cos ^2}\omega t \Rightarrow \omega t = \frac{\pi }{6} \cr
& \Rightarrow t = \frac{\pi }{{6 \times \omega }} \Rightarrow t = \frac{{\pi \times 2}}{{6 \times 2\pi }} \Rightarrow t = \frac{1}{6}s \cr} $$
174.
Two simple harmonic motions are represented by the equations $${y_1} = 0.1\sin \left( {100\pi t + \frac{\pi }{3}} \right)$$ and $${y_2} = 0.1\cos \pi t.$$ The phase difference of the velocity of particle 1 with respect to the velocity of particle 2 is
175.
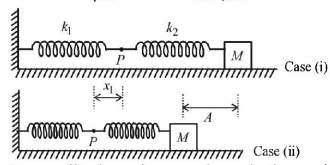
The mass $$M$$ shown in the figure oscillates in simple harmonic motion with amplitude $$A.$$ The amplitude of the point $$P$$ is
A
$$\frac{{{k_1}A}}{{{k_2}}}$$
B
$$\frac{{{k_2}A}}{{{k_1}}}$$
C
$$\frac{{{k_1}A}}{{{k_1} + {k_2}}}$$
D
$$\frac{{{k_2}A}}{{{k_1} + {k_2}}}$$
Answer :
$$\frac{{{k_2}A}}{{{k_1} + {k_2}}}$$
In case (ii), the springs are shown in the maximum compressed position. If the spring of spring constant $${{k_1,}}$$ is compressed by $${{x_1}}$$ and that of spring constant $${{k_2}}$$ is compressed by $${{x_2}}$$ then
$$\eqalign{
& {x_1} + {x_2} = A\,......\,\left( {\text{i}} \right) \cr
& {\text{and }}{k_1}{x_1} = {k_2}{x_2} \Rightarrow {x_2} = \frac{{{k_1}{x_1}}}{{{k_2}}}\,......\,\left( {{\text{ii}}} \right) \cr
& {\text{From}}\left( {\text{i}} \right)\& \left( {{\text{ii}}} \right) \cr
& {x_1} + \frac{{{k_1}{x_1}}}{{{k_2}}} = A \Rightarrow {x_1} = \frac{{{k_2}A}}{{{k_2} + {k_1}}} \cr} $$
176.
A particle executing harmonic motion is having velocities $${v_1}$$ and $${v_2}$$ at distances is $${x_1}$$ and $${x_2}$$ from the equilibrium position. The amplitude of the motion is
A
$$\sqrt {\frac{{v_1^2{x_2} - v_2^2{x_1}}}{{v_1^2 + v_2^2}}} $$
B
$$\sqrt {\frac{{v_1^2x_1^2 - v_2^2x_2^2}}{{v_1^2 + v_2^2}}} $$
C
$$\sqrt {\frac{{v_1^2x_2^2 - v_2^2x_1^2}}{{v_1^2 - v_2^2}}} $$
D
$$\sqrt {\frac{{v_1^2x_2^2 + v_2^2x_1^2}}{{v_1^2 + v_2^2}}} $$